设为首页| 加入收藏 | 联系我们
杭州时域电子科技有限公司
电话:0571-87870226
传真:0571-86493986
E-mail:shiyu@t-domain.com.cn
邮编:310051
地址: 杭州市滨江区西兴街道聚园路12号8幢603室

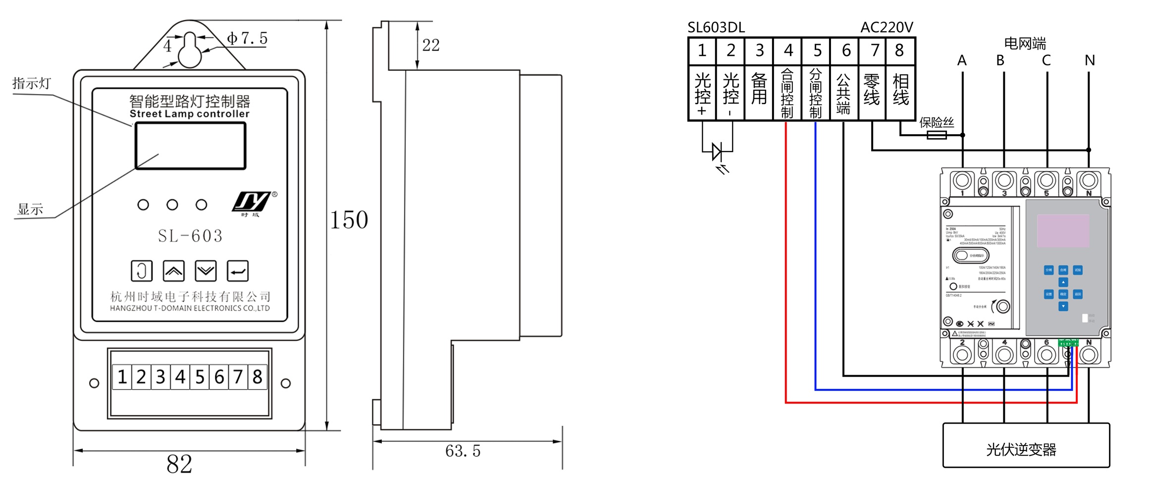
光伏断路器专用SL-603DL智能型路灯控制器

光伏断路器专用SL-603DL智能型路灯控制器

光伏断路器专用SL-603DL智能型路灯控制器,用于在夜间控制光伏并网断路器断开与电网的连接,避免光伏逆变器的休眠待机容性无功影响工厂的功率因数考核;在早上自动控制光伏并网断路器合闸,恢复光伏发电并网。
控制器根据所在地经纬度和每天日出、日落时间的变化来计算、编程,并与光控相结合,能适应不同地理环境的需要对光伏并网断路器的合闸和分闸控制。同时可由用户根据需要设定功能及修改参数,并且预置了多组合理且实用的参数供用户选择。

□功能特点:
光伏断路器专用:合分闸点动输出,点动时长可调,日出合闸(第一路输出),日落分闸(第二路输出)
◆具有断电数据保护,时钟不间断工作,无需更换电池,维持时钟运行十年以上。
◆液晶显示。
◆自动显示日期和时间,时间无需人工定期调整。
◆具有2路控制输出,均为无源输出。
◆普通模式、半夜模式、双时段模式,三种节能模式可选。
◇普通模式:按照设置的工作模式,傍晚开灯,凌晨关灯(开关灯时间按设置模式计算)。
◇半夜模式:按照设置的工作模式,傍晚开灯,半夜关灯(开灯时间按设置模式计算,关灯时间半夜时间设定)。
◇双时段模式:按照设置的工作模式,傍晚开灯,半夜关灯,凌晨再次开灯,天亮关灯(第一次开灯和最后一次关灯时间按设置模式计算,半夜关灯时间和凌晨开灯时间时段时间设定)。
◆具有7种工作模式,用户可根据需要进行选择:
 ◇SL-0模式:由用户设定开关灯时间,开关灯范围00:00到23:55。
 ◇SL-1模式:由用户提供开关灯时间,由厂家在出厂时固定设置,用户不可修改。
◇SL-2~SL-5模式:可供用户选择的工作模式(时间出厂已设定,详细见下面时间表格)。
◇SL-6模式:由用户设定的经纬度数据及对应时区数据自动计算当天的开关灯时间。
◆具有工作时间累计功能,最高可累计10年以上。
◆带有光控辅助功能,能满足某些专用场合的需要(根据光线强度,开关时间提前或延迟最多30分钟,可有效应对下雨天提前变黑的困扰)
◆具有手动开和手动关功能,便于用电设备的检修或其他特殊的需要。
◆具有显示当天开关时间功能。
◆具有供用户开关时间微调功能,开关时间微调范围为±30分钟。
◆抗干扰能力强,使用寿命长;大功率继电器输出,可直接控制交流接触器或中间继电器(AC 220V或AC 380V)。
 
□技术参数:

◆工作电压:AC220V ±15%  50Hz
◆环境温度:-40℃~80℃
◆输出继电器容量:AC220V / 7A(阻性负载时)
无源输出 二路
◆计时误差:±1分钟/年;
◆光控(选配):在开关灯的前半小时或者后半小时
根据光传感,延时或提前开关灯
◆外形尺寸: 82*150*63.5 mm
◆安装方式:壁挂式安装


 
上一页下一页SL-603C高精度智能型路灯控制器

版权所有:杭州时域电子科技有限公司   

备案号:浙ICP备05012211号-5


电话:0571-87870226 传真:0571-86493986 E-mail:shiyu@t-domain.com.cn
地址: 杭州市滨江区西兴街道聚园路12号8幢603室  邮编:310051